Yamaha WR450F servisny manual
- [7.3. 2026]Smazat/ Upravit/ Topovat




























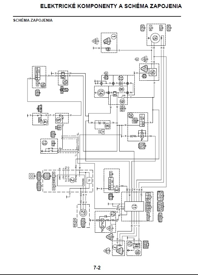
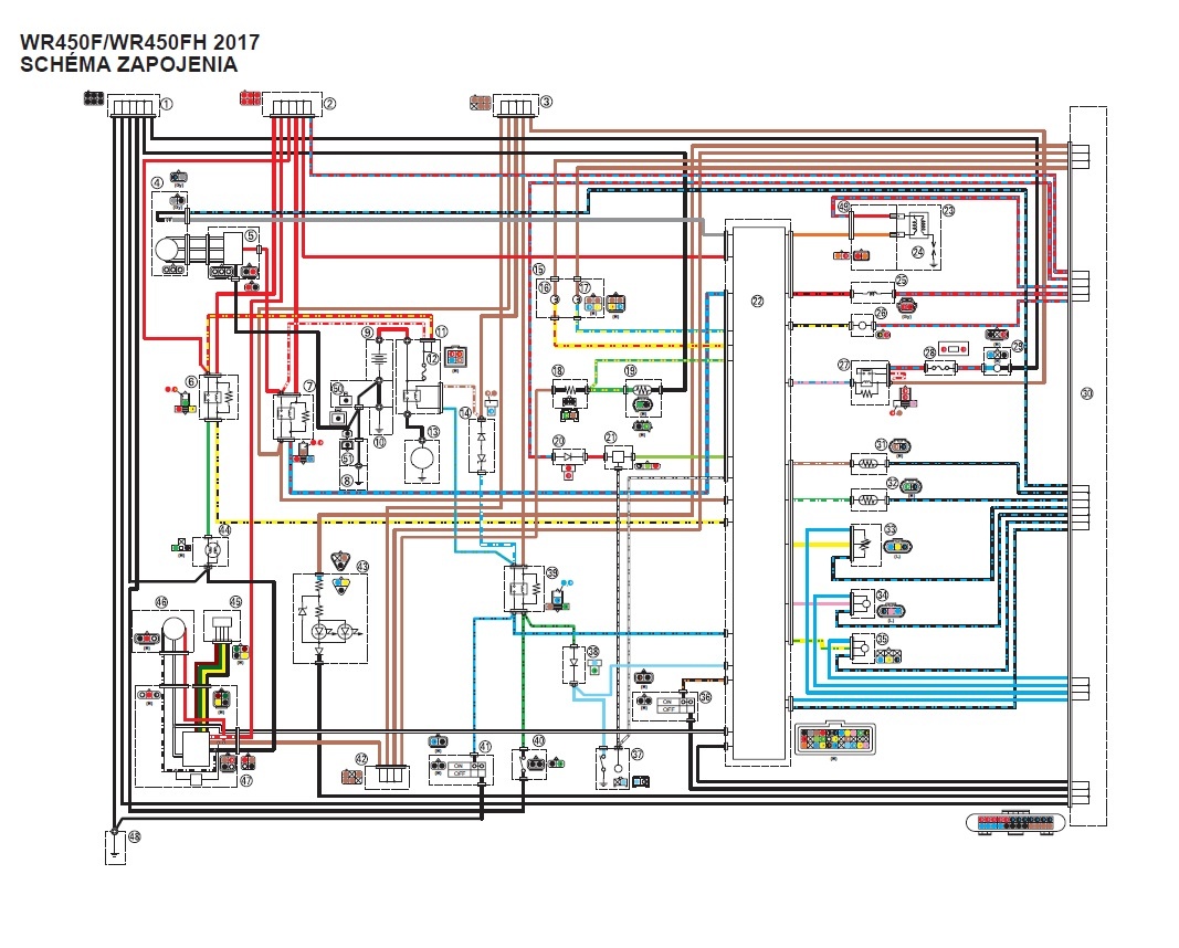
Ponukam servisny manual na Yamaha WR 450F r.v.2024, 2023, 2022, 2019. 2018, 2017, 2016, 2015, 2011, 2010, 2008 a 2007 v SK jazyku. V hrebenovej verzii. Piste na email cislo nie je platne.
|
| |||||||||||||||||||||||||||||||
Kontaktovat inzerenta emailem
Kontaktovat emailem může pouze ověřený uživatel.
Ověření je zdarma.
Vaše telefonní číslo *
Kontaktovat emailem může pouze ověřený uživatel.
Ověření je zdarma.
Vaše telefonní číslo *







