Honda Transalp XL 700V/VA 2008-2011
- [25.11. 2025]Smazat/ Upravit/ Topovat














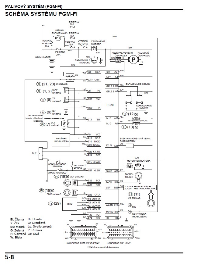
Ponkam servisnz manual na Hondu Transalp XL 700V/VA 2008-2011 v SK jazyku. V hrebenovej verzii. Počet stran 585. Schemy su vo formate A3. Piste na email cislo nie je platne.
|
| |||||||||||||||||||||||||||||||
Kontaktovat inzerenta emailem
Kontaktovat emailem může pouze ověřený uživatel.
Ověření je zdarma.
Vaše telefonní číslo *
Kontaktovat emailem může pouze ověřený uživatel.
Ověření je zdarma.
Vaše telefonní číslo *