Yamaha WR450F servisny manual
- [5.11. 2025]Smazat/ Upravit/ Topovat


























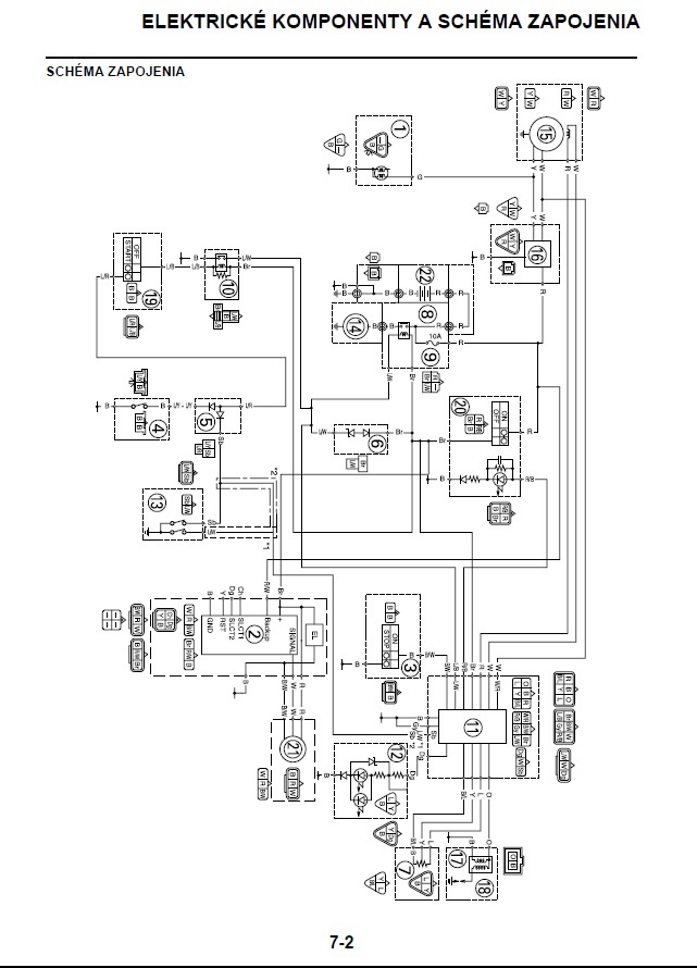
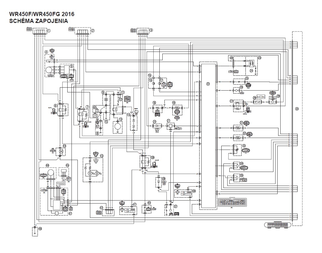
Ponukam servisny manual na Yamaha WR 450F r.v. 2023, 2022, 2019, 2017, 2016, 2015, 2011,2010, 2008 a 2007 v SK jazyku. V hrebenovej verzii. Piste na email cislo nie je platne.
|
| |||||||||||||||||||||||||||||||
Kontaktovat inzerenta emailem
Kontaktovat emailem může pouze ověřený uživatel.
Ověření je zdarma.
Vaše telefonní číslo *
Kontaktovat emailem může pouze ověřený uživatel.
Ověření je zdarma.
Vaše telefonní číslo *
Podobné inzeráty
Nová kola FaBa Strong supermoto, Yamaha YZ450F nové - [23.11. 2025]Prodam uplne novou sadu supermoto kol Fa-Ba Strong pro Yamaha YZ450F 2018, případně WR450F, wr250f, yz250f a asi i jiné.
Možno obout nové slicky Michelin
K dispozici také brzda pro supermoto, Beringer, případně Brembo
Bezdušové, Bartubeless
...
24 900 Kč
Praha 9
198 00
198 00
226 x
Označit špatný inzerát Chybnou kategorii Ohodnotit uživatele Smazat/Upravit/Topovat





